Когда придут пособия в январе
Главная проблема с определением даты январского поступления пособия – наличие длительных Новогодних каникул. Пособия выдаются двумя способами:
- перечислением на карту «Мир» в любом выбранном заявителем банке;
- наличными в отделении «Почты России».
Банковские работники и сотрудники «Почты России» также будут отдыхать в Новогодние праздники, но график у них нестандартный. Так, «Почта России» обычно не работает только 1, 2 и 7 января, но все зависит от конкретного отделения. Также сотрудники «Сбербанка» обычно трудятся уже с 3 или 4 числа.
Детские пособия в январе 2023 года будут выплачены в следующие сроки:
- ПФР в декабре, заранее, так как 3 число выпадает на выходной. Банки перечислят средства сразу же, «Почта России» выдаст по графику;
- ФСС, скорее всего, выплаты произведет сразу после праздников. Возможно, некоторые пособия будут перечислены раньше, в декабре;
- соцзащита будет производить выплаты в стандартном порядке.
Даты выплаты на «Почте России» утверждаются в графиках, которые нередко формируются в целом на субъект РФ. Какого числа придут детские пособия в январе 2023 года стоит уточнять в выдающих их госорганах и в почтовых отделениях, если выплаты производятся наличными. Общее правило, если выплатная дата выпадает на праздничный день, получатель вправе затребовать средства заранее.
Почему глохнет дизельный двигатель – советы по устранению неполадок
Одной из основных причин того, почему не заводится дизельный двигатель, является несоблюдение правил его эксплуатации и нарушение сроков и порядка работ. Например, замену масла рекомендуется проводить после пробега автомобилем 7500 км, что обусловлено высоким содержанием в отечественном топливе серы.

Из-за этого происходит быстрое окисление масла, в результате чего оно теряет свои эксплуатационные качества, что негативно сказывается на состоянии поршневой группы. Также необходимо тщательно следить за состоянием топливной системы и регулярно сливать отстой с бака и топливного фильтра. Бак рекомендуется промывать два раза в год, что предохранит фильтры от преждевременного засора.

Большое влияние на работу дизеля оказывает не только качество топлива, но и его соответствие сезону эксплуатации. Ведь иногда причиной того, почему глохнет дизельный двигатель зимой, является использование летних марок топлива, которые при низких температурах превращаются в тягучую массу. В результате чего топливный насос просто не в состоянии подать его в двигатель. А так как смазка насоса выполняется за счет топлива, то при его отсутствии происходит ускоренный износ аппаратуры.
Не устраняемые самостоятельно причины не запуска
Если все вышеперечисленные причины по дизельному двигателю проверены и устранены, но он по-прежнему не запускается, то причины, возможно, более серьезные и связаны с поломкой или выходом из строя какого-нибудь узла. В этом случае однозначно необходимо обращаться в сервисную службу.
Такими причинами не запуска (а иногда это делать даже строго запрещено) дизельного генератора можно назвать следующие:
1. Недостаточная степень сжатия топливной смеси в цилиндрах (заклинивание или обгорание кромок клапанов, поломка пружин клапанного механизма, износ цилиндров или повреждение поршневых колец).
2. Тугое прокручивание или полная невозможность поворота коленчатого вала из-за задиров коренных, шатунных вкладышей или поршней, поломок поршневых колец и попадание обломков между цилиндром и поршнем (единственный выход из положения – капитальный ремонт мотора).
3. Нарушение впрыска топлива (недостаточное давление, плохой распыл, изменение формы факела распыла и т. д.), перегрев двигателя из-за слабого охлаждения, низкокачественное топливо или попадание в него воды, низкая компрессия, неполное прилегание клапанов к седлам и др.
4. Стук двигателя, причинами которого может быть:
- термический перегрев по причине нарушений в работе системы охлаждения, слабой проходимости топлива, нарушений в работы топливных форсунок;
- поломка коренного или шатунного подшипника, испытывающего очень большие нагрузки при работе двигателя (немедленная остановка двигателя, разборка и замена вкладыша);
- разброс степени сжатия по цилиндрам из-за ошибок настройки впрыска (восстановление настройки согласно инструкции);
- перегрев подшипников из-за недостаточного количества моторного масла (незамедлительное пополнение смазывающей жидкости до нормального уровня);
- склонность подшипников и поршней к задирам из-за низкого уровня масла или засорения каналов системы смазки (промывка системы, доливка или замена масла);
- большие зазоры в подшипниках в результате длительной эксплуатации (замена на новые детали).
Устройство и принцип работы
АВР для генератора состоит из трёх взаимосвязанных основных блоков:
- семейства контакторов, коммутирующих вводные и нагрузочные цепи;
- логических и индикационных устройств;
- блока релейных переключателей, предназначенных для управления генератором.
С целью повышения надёжности резервной энергосистемы устройства АВР могут комплектоваться дополнительными блоками. Например, включение в схему инверторов позволяет выровнять провалы в напряжениях, исключить временные задержки, сделать выходной ток более качественным.
Включение резервной линии обеспечивает контактная группа. За наличием вводного напряжения следит реле контроля фаз.
Рассмотрим принцип работы системы резервного питания на примере упрощённой схемы (рис. 2). В штатном режиме, когда питание осуществляется от основной сети, контакторный блок направляет электроэнергию на линии потребителей. На схеме показан дополнительный блок – инвертор, преобразующий постоянный ток от аккумулятора в переменный, напряжением 220 В.
   Рис. 2. Упрощённая схема резервного питания
 Рис. 2. Упрощённая схема резервного питания
Сигнал о наличии вводного напряжения подаётся на блок логических и индикационных устройств. В номинальном режиме вся система находится в устойчивом состоянии. При аварии в основной сети (напряжение падает ниже установленного уровня) насыщение соленоида реле контроля фаз становится недостаточным для удерживания контактов в рабочем (нормально замкнутом) состоянии. Происходит разъединение контактов и отключение нагрузки от линии электропередач.
Если система оборудована инвертором, как показано на схеме, он переходит в режим генерации переменного тока, напряжением 220 В. Таким образом, потребители получают стабильное напряжение даже при полном отсутствии тока в коммерческой сети.
Если параметры линий электропередач не восстанавливаются в заданный промежуток времени, контролёр подаёт сигнал на запуск генератора. При поступлении от альтернатора стабильного напряжения, контакторы переключаются на резервную линию.
При полном автоматическом переключении участие оператора не требуется. Система надёжно защищена от взаимодействия встречных токов и КЗ. Для этого применяются дополнительные реле и механизмы блокировок, которые не показаны на схеме.
При необходимости оператор может переключать линии вручную с панели контролёра. Он также может изменять настройки блока управления, включать ручной или автоматический режим работы. Фото панели показано на рис. 3.
   Рис. 3. Панель контролёра резервного питания
 Рис. 3. Панель контролёра резервного питания
В АВР могут реализовываться несколько режимов функционирования:
- ручной;
- автоматический;
- полуавтоматический.
Ручной режим чаще всего используют наладчики при настройке АВР.
Запуск в ручном режиме
Существующий проектный алгоритм запуска ДГУ малой и средней мощности в ручном режиме предполагает раскручивание коленвала двигателя при помощи электрического или механического стартера.
Перед включением оборудования убеждаются, что автомат или разъединитель, через который подается питание на обслуживаемые установки, отключен. Запуск ДГУ под нагрузкой недопустим.
Общая схема работ при включении электрическим стартером:
Проверяют открытие топливного крана и включают зажигание, переводя соответствующий переключатель в положение: «Вкл».
Нажимают декомпрессор, обеспечивая снижение усилия для прокручивания коленвала, и включают стартер.
После набора двигателем максимального числа оборотов отпускают декомпрессор.
Стоит понимать, что время запуска ДГУ и включения нагрузки — это разные показатели. Подключение потребителей допускается только после прогрева двигателя и выхода его на штатный рабочий режим.
Аналогичным образом выполняют и запуск ручным стартером. Для этого тянут его рукоятку до появления максимального сопротивления и отпускают, повторяют операцию 2-3 раза. Только после этого включают зажигание и сильным рывком с большой амплитудой запускают ДГУ в работу. Такая схема пуска характерна только для маломощных бытовых модификаций генераторов.
Почему возникает необходимость одновременного использования ИБП и ДГУ
Когда прекращается подача основного питания, включается ДГУ, однако ему потребуется 10–15 секунд, чтобы запуститься и начать работу в штатном режиме. Это неприемлемо для серверного и другого IT-оборудования, от которого зависит жизнеобеспечение офиса или всей компании. Вторая проблема заключается в том, что при включении генератора нарушается стабильность частоты электропитания. Отклонения приводят к ошибкам в работе и даже повреждению оборудования, потере данных, системным сбоям. В обоих случаях использование ИБП в комбинации с ДГУ помогает избежать проблем, которые снижают качество и надежность электропитания, а генератор получает достаточное время для запуска.
Типы дизельных электростанций

Дизельные генераторные установки могут работать как для постоянного обеспечения электричеством, так и на случай аварийной подачи, в качестве резервного источника питания. Альтернативные источники электроэнергии отличаются по вариантам исполнения, типу управления – ручной или автоматический и техническим характеристикам.
Виды исполнения

Электрические дизельные генераторы бывают в открытом и закрытом исполнении. Открытые варианты применяются в основном в отдельно стоящих сооружениях или монтируются в специальные контейнера. Модели, устанавливаемые на улице, оборудованы защитным кожухом, чтобы защитить оборудование от воздействия окружающей среды, в основном осадков.
Кроме того, выпускаются передвижные мобильные генераторы. Такие источники электроэнергии можно легко транспортировать. Обычно их применяют там, где нужна мобильность, например, для организации концертных и массовых мероприятий на открытом воздухе, обеспечения освещения ремонтируемых участков дорог.
Способы охлаждения
Классификация ДГУ осуществляется по типу охлаждения двигателя. Поскольку при работе выделяется тепло, его нужно куда-то отводить. Проще и дешевле организовать воздушное охлаждение. Однако вместе с воздухом в двигатель попадают и сторонние частицы. Поэтому часто применяется замкнутая жидкостная система.
Типы генератора
Дизель-генераторные установки классифицируются по типу генератора. Различают два типа:
- синхронный, с постоянной частотой вращения. Процесс регулируется механизмом, стабилизирующим пики внешних нагрузок;
- асинхронный, частота которого не соответствует стандартной частоте. Для стабильной бесперебойной работы необходим инвертор, который будет служить в качестве выпрямителя.
Классификация по мощности

Важным критерием классификации дизельных генераторов является вырабатываемая мощность. Они делятся на три основные категории:
- маломощные – до 20 кВт. Это бытовые источники питания с воздушным охлаждением;
- средней мощности – от 20 до 200 кВт. В большинстве своем передвижные установки с защитным корпусом;
- большой мощности – свыше 200 кВт. Дизельные электростанции, в основном стационарного типа, а также устанавливаемые на автомобильное шасси или в прицеп. Мощность может превышать несколько мегават.
Как подключить дизельный генератор
При их работе будут задействованы силовые, а также нормально замкнутые контакты. К этому набору, если нужно обеспечить генератору некоторый интервал времени на прогревание, стоит приобрести ещё и реле времени. Когда создаётся напряжение в домашней электрической сети от внешней линии, катушка контактора основного ввода будет удерживать в замкнутом состоянии силовые контакты, а нормально замкнутые, наоборот, в разомкнутом. При исчезновении напряжения в магистрали электропередач силовые контакты разомкнутся, а нормально замкнутые, соответственно, перейдут в замкнутое состояние, что позволит через промежуток времени, заданный временным реле, после запуска генератора подать напряжение на катушку контактора резервного входа.
В результате произойдёт замыкание силовых контактов на резервном пускателе, а в домашнюю сеть пойдёт электрический ток от бензогенератора. При возобновлении централизованной подачи напряжения к сети частного дома сработает катушка основного пускателя, что приведёт к замыканию силовых контактов этого контактора и к автоматическому отключению питания от бензогенератора. Владельцу дома остаётся только не забыть остановить работу двигателя устройства для автономной генерации электроэнергии.
Обладая некоторыми навыками по электротехнике, владелец частного дома сможет без особых усилий своими руками смонтировать схему, которая обеспечит автозапуск и включение бензогенератора в сеть дома.
Единственным условием является подбор модели автогенератора , способной запускаться и останавливаться с помощью ключа, так как автоматизация пуска генератора с двигателем, заводящимся кик-стартером, дело очень хлопотное и неблагодарное.
Для реализации этого алгоритма потребуются четыре временных реле, столько же электромагнитных пускателей и магнитных толкателей с выключателями на концах. В момент исчезновения напряжения в магистрали катушки пускателей, связанные с основной сетью, перестанут удерживать в разомкнутом состоянии контакты, включающие зажигание стартера, и в замкнутом — силовые контакты основной линии. Это приведёт к включению зажигания в бензогенераторе и отсоединению домашней сети от внешней магистрали.
Параллельно будет выполнено замыкание нормально замкнутых контактов. Это приведёт в действие магнитный толкатель, закрывающий воздушную заслонку, и подаст импульс на реле времени, отвечающее за пуск двигателя. Спустя минуту стартер выполнит запуск двигателя бензогенератора. После старта генератора сработает катушка, отвечающая за остановку стартера.
Почему ремонт двигателей Катерпиллар стоит доверить компании «Петро-Моторс»
Потому что мы предлагаем клиентам:
- Профессиональный подход к решению любых проблем двигателя – высококлассные мастера нашей команды справятся с поломками любого масштаба и сложности;
- Индивидуальный подход и готовность к компромиссным решениям – мы учитываем все потребности и пожелания всех, с кем сотрудничаем;
- Быстрый отклик на заявку – мы выполняем ремонт дизельных двигателей в предельно сжатые сроки;
- Адекватные расценки – наши услуги благодаря грамотной ценовой политике доступны различным категориям клиентов;
- Гарантию качества – она распространяется на все ремонтные работы, выполненные нашей компанией.
Ваш двигатель КАТ (CAT) устал или вообще перестал работать? Мастера компании «Петро-Моторс» быстро и недорого вернут его в строй. Звоните – нам есть чем Вас порадовать!
Американские дизельные двигатели Caterpillar известны своей надёжностью и качеством во всём мире. Но даже самое надёжное оборудование не может работать вечно и приходит время, когда установка даёт сбой.
Наша компания более 17 лет профессионально производит диагностику и ремонт дизельных двигателей Caterpillar (Катерпиллар) с выездом по Москве и Московской области как в нашей сервисной зоне, так и с выездом по всей России.
Ремонт оборудования – это трата не только денег, но и времени. Основные причины, которые приводят к неполадкам двигателя – это низкое качество топлива и износ деталей. Также сбой оборудования происходит, когда его обслуживанием и установкой занимаются неквалифицированные специалисты. Чтобы избежать поломок и отсрочить время до капитального ремонта двигателей Caterpillar, обращайтесь только к профессионалам.
Если вы заметили перебои в работе двигателя Caterpillar, перерасход топлива, повышенную дымность выхлопа или другие проблемы, то лучше не затягивать решение вопроса и сразу записаться на консультацию к специалистам.
Полный комплекс ремонтных услуг
Клиенты компании «СК» получают весь спектр услуг, связанных с ремонтом и техническим обслуживанием дизельных двигателей Caterpillar. В нашей компании работают сертифицированные специалисты, которые прошли обучение в известных компаниях производителей энергооборудования. В нашем сервисном центре есть всё необходимое оборудование и специальные инструменты, без которых качественный ремонт установки не мыслим.
Алгоритм ремонта ДВС Caterpillar
Ремонт двигателей внутреннего сгорания Caterpillar состоит из множества высокотехнологичных операций, среди которых:
- регулировка клапанов;
- замена маховика, опоры двигателя, прокладки поддона, прокладки клапанной крышки и прочее;
- разборка и дефектовка двигателя;
- капремонт и калибровка ДВС;
- сборка и обкатка двигателя на нагрузочном стенде;
- снятие и монтаж навесного оборудования;
- и многое другое.
Проверяем искру
Итак, свечу вы выкрутили. После того, как убедились, поступает топливо или нет, проверьте и наличие искры. Для этого вставьте ее в наконечник высоковольтного провода (в народе «мундштук»), который был на ней, когда она была закручена, и присоедините наружный электрод к любой металлической части двигателя (к массе). Только лучше присоединять подальше от места закрутки, чтобы от появившейся искры случайно не вспыхнуло испаряющееся из цилиндра топливо.
После прикладывания электрода свечи к массе нужно дернуть за стартер. Если искра видна, то все в порядке. Если же нет, то причин ее отсутствия может быть очень много: от банального износа свечи до неисправности в электрике.
Чтобы убедится, что дело в свече, нужно либо эту же свечку поставить на заведомо исправный агрегат, либо на незаводящемся генераторе проверить искру у заведомо исправной свечи.
Дизельный генератор не дает ток
Имеется в наличии трехфазный француз SDMO DX 6000 TE. Долго служил верой и правдой, но вот поломался. На всех фазах выдает от 4 до 6В. Обмотки вроде целые. Щетки тоже в порядке. Ни запаха, ни почернения. Пытался найти принципиальную схему в инете, не нашел. Грешу на вот этот непонятный девайс. Вроде кондер. В инете точно такого не нашел. Маркировки на нем нет. Есть подобные, но с двумя или тремя выходами. У этого пять. Он не звоница никак. Во все стороны. Хотя может и не в нем дело. Есть спецы по генераторам? У кого какие мысли? Заранее спасибо
Спасибо за ответ. Проблема оказалась серьезней, чем я думал. На обмотку попал кусочек алюминия и замкнул ее. Откуда он взялся, черт его знает. Думал откололся от корпуса. Вроде, все цело. Причем на корпус не пробило. Ну в общем перемотка статора светит
12в, они идут на простенький выпрямитель (в щитке) из 4-х диодов и на клеммы +/-12в И стоит 35 мФ конденсатор, (он звонится омметром как положено) для него из статорной обмотки выходят два провода . Я просто в шоке. Как ЭТО работает и как регулируется ?
Генератор проклейки и рейтинг
Рейтинг
Генераторы должны обеспечить ожидаемую мощность , необходимую надежно и без повреждений , и это достигается за счет производителя , давая один или несколько рейтингов заданной модели конкретных генератора. Конкретная модель генератора работает в качестве генератора в режиме ожидания может потребоваться только для работы в течение нескольких часов в год, но та же модель работает как основной генератор мощности должна работать непрерывно. При работе генератор в режиме ожидания может работать с указано — например , 10% перегрузки , которые могут быть переносимой в течение ожидаемого короткого времени работы. Та же модель генератора будет нести более высокий рейтинг для ожидания обслуживания , чем это будет для непрерывной работы. Производители дают каждый набор на рейтинг , основанный на международно согласованных определений.
Эти стандартные определения рейтинга разработаны, чтобы позволить действительные сравнения между производителями, чтобы предотвратить производитель от misrating своих машин, и для руководства дизайнеров.
Генератор Рейтинг Определение
Резервный режим на основе Применяется для подачи аварийного питания на период отсутствия основного питания. Нет замедленным перегрузочная способность не доступна для этого рейтинга. (Эквивалент мощность отключения топлива в соответствии с ISO3046, AS2789, DIN6271 и BS5514). Номинально рейтинг.
Типичное применение — аварийная электростанция в больницах, офисы, заводы и т.д. Не подключены к сети.
Prime (Неограниченное время работы) Рейтинг: не должен использоваться для строительства энергетических применений. Вывод доступен с переменной нагрузкой в течение неограниченного времени. Типичный пик спрос на 100% 10% возможностей простой рейтинга EKW с 10% возможностью перегрузки для экстренного использования в течение максимума 1 часа в 12. А от перегрузки доступен для ограниченного времени. (Эквивалент Основная мощность в соответствии с ISO8528 и перегрузки Мощность в соответствии с ISO3046, AS2789, DIN6271 и BS5514). Эта оценка не применяется для всех генераторных установок моделей.
Типичное применение — где генератор является единственным источником энергии для удаленного сказать добычи или строительную площадку, площадку, фестиваль и т.д.
Базовая нагрузка (Continuous) Рейтинг на основе: Применяется для подачи энергии при постоянной нагрузке до полного рейтинга выхода на неограниченный период времени. Нет замедленным перегрузочная способность не доступна для этого рейтинга. Обратитесь к авторизованному дистрибьютору рейтинга. (Эквивалент непрерывной мощности в соответствии с ISO8528, ISO3046, AS2789, DIN6271 и BS5514). Эта оценка не применяется для всех генераторных установок моделей
Типичное применение — генератор работает непрерывную нагрузку неизменной, или параллельно с сетью и непрерывная подачей мощности на максимально допустимом уровне 8760 часов в год. Это также относится к наборам, используемым для поддержки пиковой нагрузки / сетки, даже если это может произойти только говорят 200 часов в год.
В качестве примера, если в определенном наборе резервных рейтинг было 1000 кВт, то рейтинг Prime мощности может быть 850 кВт, а также непрерывный рейтинг 800 кВт. Однако эти рейтинги варьируются в зависимости от производителя и должны быть взяты из спецификации изготовителя.
Часто набор может быть предоставлен все три рейтингов штампованных на табличке, но иногда это может иметь только рейтинг ожидания, или только премьер-рейтинг.
Определение размеров
Как правило, однако это размер максимальной нагрузки, который должен быть подключен и приемлемым максимальное падение напряжения, которое определяет размер набора, а не сами рейтинги. Если набор необходим для запуска двигателей, то набор придется по крайней мере в три раза по величине двигателя, который обычно запускается первым. Это означает, что вряд ли будет работать в любом месте рядом с рейтингами выбранного набора.
Многие поколения посаженных производителей компьютерных программ, которые позволяют правильно выбрать набор для любой комбинации нагрузки. Калибр в зависимости от условий участка и типа приборов, оборудования и устройств, которые будут питаться от генератора.
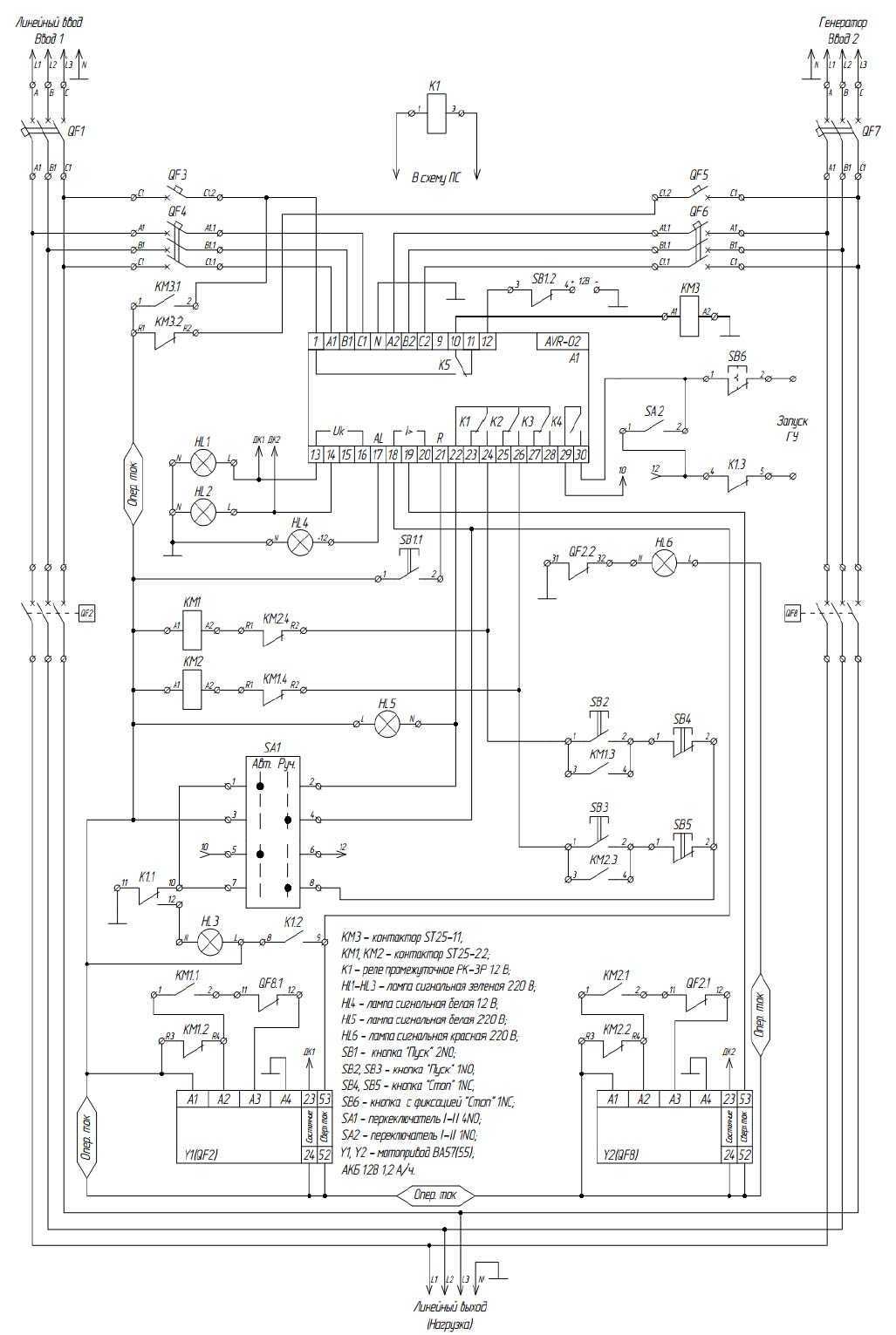
Ввод№1+генератор (резерв)
Ну и напоследок рассмотрим чаще всего применяемую схему АВР для частного дома – ввод№1+генератор.
Далеко не все имеют два независимых ввода, плюс еще и ДГУ. Зато наличие отдельно генератора у владельцев особняков, не такая уж и большая редкость.
Основное эл.снабжение осуществляется от первого ввода. Принцип работы здесь такой же как и рассмотренный выше.
При изменение параметров напряжения на выходе за его номинальные значения (резко упало или повысилось, исчезло), происходит смена источника оперативного напряжения. Контакт КМ3.1 размыкается, а контакт КМ3.2 замыкается.
Также размыкаются контакты 22 и 24. Пускатель QF2 выключается. Спустя три секунды AVR 02 дает сигнал на запуск генератора. После его прогрева, происходит замыкание контактов 22-26. Подается напряжение на катушку КМ2 и включается пускатель QF8.
Вся нагрузка переводится на генератор.
Опять же, спустя установленное время, происходит замыкание №22-№24, после чего включается КМ1 и QF2. Питание восстанавливается от основного ввода. При этом контакты 29-30 будут замкнуты пока генератор не охладится.
Время расхолаживания ДГУ лучше выставлять в районе 3-5 минут.
Выбор площадки
Первое, что следует сделать — это выбрать место расположения будущей электростанции. Рекомендуется это делать еще до того, как будет приобретен сам дизель-генератор, чтобы при необходимости выбрать наиболее подходящий по местным условиям вариант. Есть несколько вариантов установки дизельного генератора — в специальном шумозащитном кожухе, на открытой раме или в контейнере, имеющем защиту от негативных факторов окружающей среды.

Последний вариант наиболее простой, так как наличие специального контейнера освобождает от необходимости установки дизель-генератора в здании – его можно установить на улице в безопасном месте. При приобретении генератора в защищенном контейнере требуется наличие только лишь фундаментной основы
При выборе места монтажа важно учитывать местные условия. Например, в загородном доме или на даче дизель генератор лучше разместить в помещении, чтобы избежать его воровства

В случае приобретения модели в шумоизолирующем кожухе или на открытой раме нужно предусмотреть его размещение в помещении (к примеру, в гараже или сарае), которое должно соответствовать следующим требованиям:
- наличие достаточной защиты от негативных факторов окружающей среды;
- организация эффективной вентиляции;
- обеспечение достаточного уровня освещенности;
- возможность беспрепятственного доступа ко всем элементам дизельного генератора для проведения работ по его обслуживанию и ремонту;
- наличие дверного проема достаточного размера на случай необходимости монтажа или демонтажа оборудования.
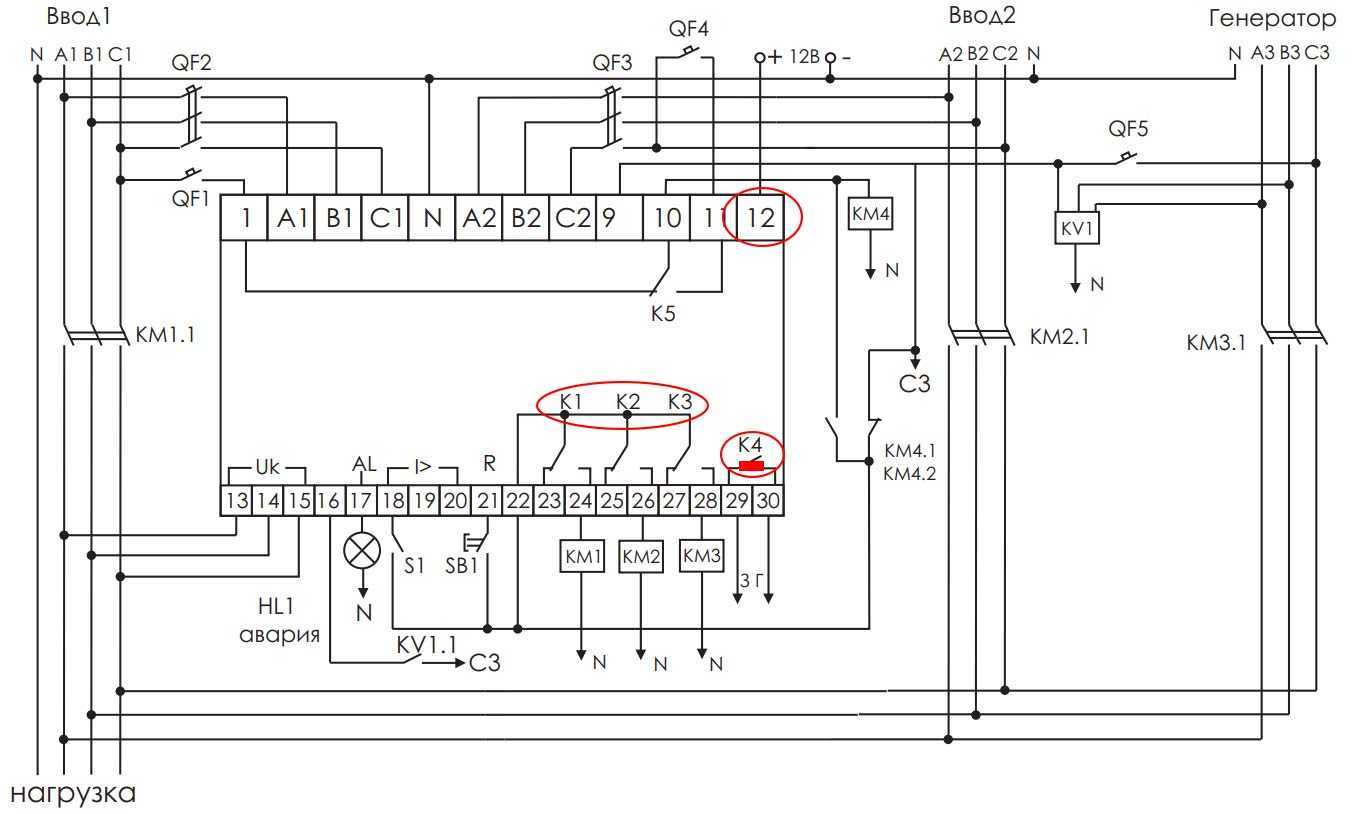
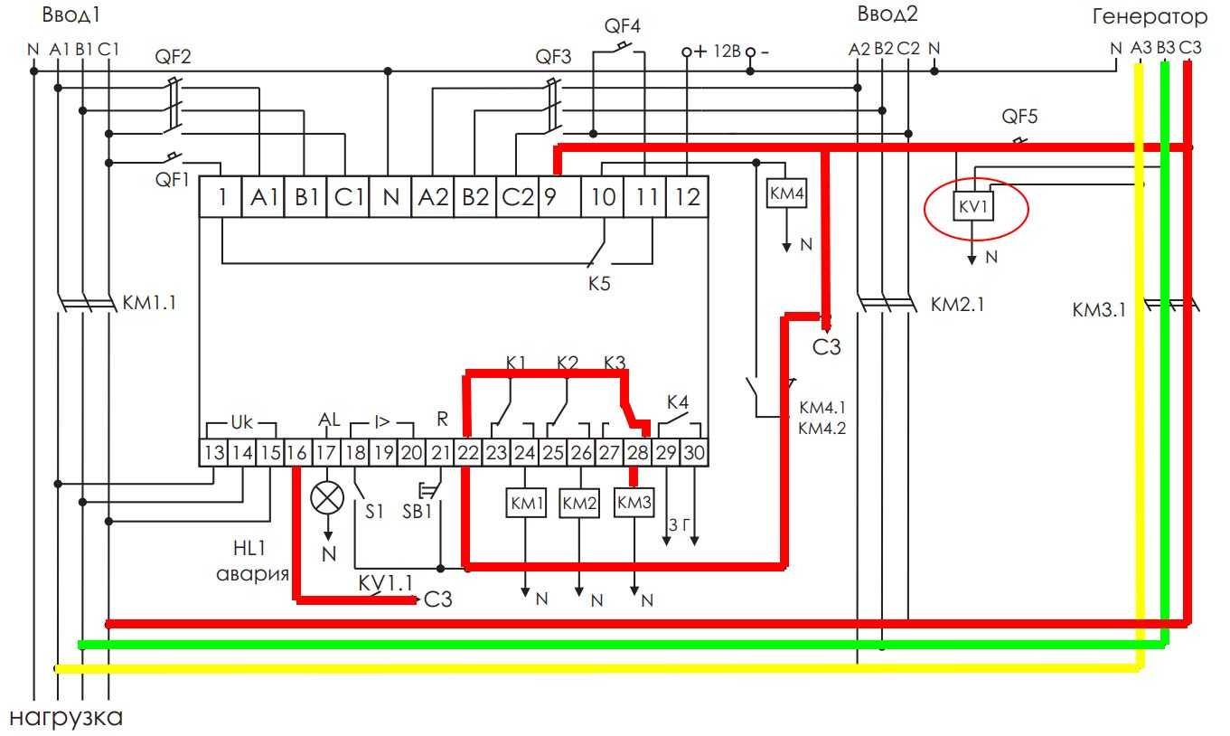
АВР с автозапуском генератора
А как будет запускаться генератор, если исчезнет питание с обоих вводов? Контакт №12 служит для подключения к АВР внешнего источника питания +12В.
Когда у вас пропало напряжение на двух вводах, все контакты К1,К2,К3 получаются в разомкнутом состоянии. При этом автоматически происходит замыкание внутреннего контакта реле К4. За счет этого, формируется сигнал запуска для генератора.
Большинство генераторов с возможностью АВР, управляют заслонкой своей собственной автоматикой. Для этого им нужен только сигнал на старт. Вы его как раз и подаете.
Если у вас этого нет, то можно смастерить такую систему самостоятельно.
После подачи импульса, происходит запуск ДГУ и его прогрев. Когда он прогрелся, напряжение на реле KV1 достигает нормы. KV1 представляет из себя, что-то вроде реле защиты трехфазных двигателей.
Оно необходимо для контроля напряжения 3-х фазной сети (правильное чередование фаз и их номинальное значение). Подойдет например такое — CKF-317.
После срабатывания, реле KV1 замыкает свой контакт KV1.1 и напряжение достигает разъема №16. Также U поступает на контакт №9 (он управляет внутренними цепями AVR) и №22.
AVR это видит и подает сигнал на замыкание реле К3 и катушки КМ3. После чего включаются силовые контакты пускателя генератора КМ3.1 Вся нагрузка запитывается от генератора.
О компании
Наша компания является поставщиком дизельных генераторов (ДГУ, ДЭС) и бензиновых генераторов для предприятий различных секторов экономики, а также частных покупателей. Мы работаем на рынке малой энергетики с 2015 года и имеем огромный опыт в реализации поставленных задач в сфере электроснабжения. Поскольку мы дорожим своей репутацией, наша компания сотрудничает только с проверенными и надежными заводами производителями, продукция которых отвечает всем запатентованными нормам безопасности и качества.
Для наших постоянных заказчиков мы готовы предложить большой модельный ряд энергетического и сварочного оборудования, а именно: бензиновые электростанции, дизельные электростанции, газовые электростанции, источники бесперебойного питания (ИБП) и блок-контейнеры. Для нас не является трудностью поставка в любой удаленный регион страны с самыми сложными погодными условиями. Мы организуем доставку оборудования любым удобным для вас способом: железнодорожным, авиационным, автомобильным или морским транспортом. Кроме поставки оборудования мы без труда можем доставить необходимые комплектующие и запчасти.
Компания ТРАСТ-ЭНЕРГО динамично развивается, мы перенимаем и делимся опытом с нашими партнерами, устанавливаем прочные связи с нашими поставщиками и готовы воплощать в жизнь самые сложные и необычные проекты. Мы постоянно расширяем ассортимент нашей продукции и совершенствуем качество наших услуг, разрабатываем новые идеи и используем самые передовые технологии для реализации нашей деятельности.
Купить бензогенератор и дизель генератор можно в: Мурманске, Омске, Архангельске, Златоусте, Махачкале, Обнинске, Тольятти, Ангарске, Магнитогорске, Орле, Тюмени, Ачинске, Ижевске, Миассе, Тобольске, Абакане, Иркутске, Майкопе, Перми, Тамбове, Астрахани, Иваново, Пенза, Твери, Нерюнгри, Петрозаводске, Туле, Барнауле, Комсомольск-на-Амуре, Нефтекамске, Пскове, Таганроге, Бийске, Кирове, Нижнем Новгороде, Пятигорске, Томске, Братске, Казани, Набережные Челны, Бердске, Калининграде, Нарьян-Маре, Рязани, Уфе, Белгороде, Кемерово, Нальчике, Рыбинске, Ульяновске, Брянске, Красноярске, Новокузнецке, Ростове-на-Дону, Улан-Удэ, Кызыле, Норильск, Вологда, Кургане, Новосибирск, Санкт-Петербург, Хабаровск, Великий Новгород, Ковров, Нижний Тагил, Стерлитамак, Ханты-Мансийске, Владимире, Калуге, Нижневартовске, Самаре, Воронеже, Костроме, Нефтеюганске, Саратове, Черногорске, Волжском, Курске, Новом Уренгое, Сыктывкаре, Чебоксарах, Волгограде, Краснодаре, Ноябрьске, Ставрополе, Чите, Новороссийске, Сургуте, Челябинске, Грозном, Липецке, Старый Оскол, Оренбурге, Смоленске, Екатеринбурге, Москве, Орске, Сочи, Якутске позвонив на бесплатный телефон 8(800) 511-36-45. Если вы не нашли своего города, напишите нам письмо и мы рассчитаем поставку в ваш город проконсультируем как купить выгодно. Подведя итоги, в нашей компании Вы без особых хлопот сможете купить и обслужить дизельный генератор АД, бензогенератор или сварочный бензогенератор, дизель генератор. Обращайтесь к нам — мы ценим каждого клиента!
Визуальный осмотр дизельного генератора
Определить причину поломки станции можно путем диагностики в сервисном центре или самостоятельным осмотром. Некоторые типы поломок можно выявить и устранить своими руками:
Проверка целостности корпуса, на котором при неаккуратном обращении могут возникнуть трещины, вмятины, сколы. Такой осмотр необходимо проводить регулярно, особенно если станция установлена на улице.
Если механических повреждений не обнаружено, нужно проверить проводку и контакты соединения.
При работе генератора иногда отсутствует достаточное напряжение, причиной могут быть поврежденные контакты, износ обмотки или неполадки в регуляторе напряжения.
К нестабильной работе электрогенератора может привести износ подшипника или посадочного места в крышке. Эти детали можно приобрести и заменить своими руками.
Если агрегат эксплуатируется постоянно, нужно своевременно чистить или менять свечи зажигания, которые обеспечивают воспламенение топлива.
Подготовка фундамента
При подготовке фундамента нужно учитывать в первую очередь то, что в процессе эксплуатации генераторной установки возникает вибрация. С учетом этой особенности требуется подготовить фундамент, который с одной стороны будет достаточно надежным, с другой стороны предотвратит смещение дизель-генератора в процессе его функционирования.
Для выполнения этих условий фундамент должен иметь вес в полтора-два раза больше массы генератора, площадь должна быть больше площади электростанции в целом, а глубина должна быть не менее 150 мм. Сам фундамент должен иметь идеально ровную поверхность без уклона по уровню.

При заливке фундамента необходимо предусмотреть установку монтажных креплений, посредством которых будет закреплена будущая дизельная электростанция.





























 
    


